Рисунки для срисовки и не только Папик.Про


улитка для холодной ковки для вырезания из бумаги своими руками


Холодная ковка является искусством, требующим тонкой работы и профессионализма. И одним из неотъемлемых элементов этого процесса являются трафареты улитки. Трафареты улитки представляют собой специальные инструменты, которые позволяют создавать уникальные и оригинальные узоры на металлических изделиях. Они имеют форму улитки и обладают высокой точностью и детализацией, что позволяет мастерам достичь превосходного качества и визуального эффекта при работе. Такие трафареты широко используются в различных отраслях искусства и ремесел, где холодная ковка играет значительную роль. Благодаря своей уникальности и удобству использования, трафареты улитки являются незаменимым помощником для всех, кто занимается холодной ковкой и стремится создать уникальные и изумительные металлические изделия.


Спираль для холодной ковки чертеж
Спираль для холодной ковки чертеж

Чертежи станков улиток для холодной ковки
Чертежи станков улиток для холодной ковки

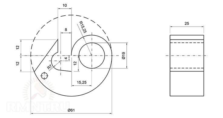
Лекало улитка для холодной ковки чертеж
Лекало улитка для холодной ковки чертеж
Скачать
Чертежи станка улитка для холодной ковки с размерами
Чертежи станка улитка для холодной ковки с размерами

Кондуктор для холодной ковки чертеж
Кондуктор для холодной ковки чертеж

Кондуктор для холодной ковки чертеж
Кондуктор для холодной ковки чертеж
Скачать
Чертежи лекал для холодной ковки
Чертежи лекал для холодной ковки

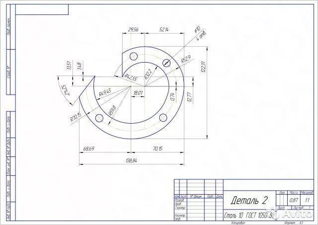
Чертеж улитки для холодной ковки с размерами
Чертеж улитки для холодной ковки с размерами

Самодельные станки для холодной ковки своими руками чертежи
Самодельные станки для холодной ковки своими руками чертежи
Скачать
Лекало для станка холодной ковки
Лекало для станка холодной ковки
Скачать
Кондуктор для холодной ковки чертеж
Кондуктор для холодной ковки чертеж

Чертежи станка улитка для холодной ковки с размерами
Чертежи станка улитка для холодной ковки с размерами

Кондуктор улитка для холодной ковки
Кондуктор улитка для холодной ковки

Матрица улитки для станка холодной ковки
Матрица улитки для станка холодной ковки

Кондуктор улитка для холодной ковки чертеж
Кондуктор улитка для холодной ковки чертеж

Чертежи станков улиток для холодной ковки
Чертежи станков улиток для холодной ковки

Чертеж улитки для холодной ковки с размерами
Чертеж улитки для холодной ковки с размерами
Скачать
Чертежи станка улитка для холодной ковки с размерами
Чертежи станка улитка для холодной ковки с размерами

Кондуктор для холодной ковки чертеж
Кондуктор для холодной ковки чертеж

Матрица улитка для холодной ковки чертеж
Матрица улитка для холодной ковки чертеж

Лекало для холодной ковки
Лекало для холодной ковки

Кондуктор для холодной ковки чертеж
Кондуктор для холодной ковки чертеж

Чертежи станка улитка для холодной ковки с размерами
Чертежи станка улитка для холодной ковки с размерами

Матрица кондуктор холодная ковка
Матрица кондуктор холодная ковка
Скачать
Станок для холодной ковки чертежи и Размеры
Станок для холодной ковки чертежи и Размеры
Скачать
Чертеж улитки для холодной ковки с размерами
Чертеж улитки для холодной ковки с размерами
Скачать
Чертеж станка для холодной ковки улитка
Чертеж станка для холодной ковки улитка

Кондуктор улитка для холодной ковки чертеж
Кондуктор улитка для холодной ковки чертеж
Скачать
Кондуктор для холодной ковки чертеж
Кондуктор для холодной ковки чертеж

Смотрите онлайн или можете скачать на телефон или компьютер в хорошем качестве совешенно бесплатно. Не забывайте оставить комментарий и посмотреть другие фотографии и изображения высокого качества, например пчелиные соты для торта и пряня из шрека для пряников из раздела лучшие


Уважаемый посетитель, Вы зашли на сайт как незарегистрированный пользователь. Мы рекомендуем Вам зарегистрироваться либо зайти на сайт под своим именем.
Ваше имя: *
Ваш e-mail: *
  • Смайлы и люди
    Животные и природа
    Еда и напитки
    Активность
    Путешествия и места
    Предметы
    Символы
    Флаги
Код: Кликните на изображение чтобы обновить код, если он неразборчив
Введите код: